
LM317, çeşitli uygulamalarda çok yönlülük ve popülerlik sağlayan birkaç avantaj sunar:
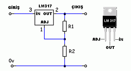
Ayarlanabilir çıkış gerilimi: LM317'nin önemli özelliklerinden biri, ayarlanabilir çıkış gerilimi sağlayabilme yeteneğidir. Ayar terminaline bağlı gerilim bölücü için uygun bir direnç değeri seçerek istenen çıkış gerilimini belirleyebilirsiniz. Bu esneklik, geniş bir projeler ve devreler yelpazesinde kullanılmasını sağlar.
Regüle çıkış: LM317, dahili bir gerilim referansı ve geri besleme mekanizması içerir, bu da giriş gerilimi veya yük koşulları değişse bile nispeten stabil bir çıkış gerilimi sağlamasını mümkün kılar. Bu regüle çıkış, istikrarlı bir güç kaynağına ihtiyaç duyan hassas elektronik bileşenler için faydalıdır.
Akım sınırlama: LM317, devreyi korumak ve aşırı akım akışını önlemek için dahili bir akım sınırlama işlevine sahiptir. Bu özellik, yükün değişebileceği veya kısa devre veya aşırı yüklenme durumlarının endişe kaynağı olduğu uygulamalarda özellikle faydalıdır.
Isı koruması: Aşırı ısınma elektronik bileşenlere zarar verebilir, ancak LM317, dahili bir termal aşırı yük koruması ile tasarlanmıştır. Sıcaklık belirli bir eşiği aştığında, entegre devre çıkış akımını azaltarak hasarı önler. Bu koruma mekanizması, LM317'nin çeşitli uygulamalarda güvenilirliğini ve dayanıklılığını artırır.
Basit devre tasarımı: LM317, dış bileşenlere minimum düzeyde ihtiyaç duyar, bu da devrelere kolayca entegre edilmesini sağlar. Genellikle temel bir gerilim regülatörü devresi oluşturmak için sadece birkaç direnç ve kapasitör gereklidir. Bu basitlik, devre tasarımının karmaşıklığını azaltır ve başlangıç seviyesindekiler ve hobise ilgi duyanlar için daha erişilebilir hale getirir.
Geniş bulunabilirlik ve düşük maliyet: LM317, çeşitli yarıiletken şirketleri tarafından üretilen yaygın olarak bulunan bir entegre devredir. Popülerliği ve piyasada uzun süredir var olması, elektronik meraklıları ve profesyoneller için kolay ulaşılabilir ve uygun maliyetli hale getirmiştir.
Bu özellikler, güvenilirliği ve kullanım kolaylı





















